The DTDR-F Series Wireless Torque Sensors offer a cutting-edge, cable-free solution for both rotating and static torque measurement applications. Powered by a wireless telemetry system, these sensors deliver reliable performance without the need for complex wiring, making them an ideal choice for versatile measurement tasks.
At the core of the system is the advanced 'T24' wireless telemetry technology from Mantracourt Electronics, which ensures exceptional battery life. With a transmission rate of once per minute, the sensor operates for up to one year on a single battery. Even at an increased transmission rate of once per second, you can expect up to 27 days of uninterrupted operation.
Data from the DTDR-F Series sensors can be seamlessly transmitted to various T24 modules, including the T24-AO1 analogue output module, T24-HS handheld display, and T24-BSu USB base station. The included software allows real-time monitoring and logging of torque data directly on a PC or laptop. Additionally, multiple modules can work together for enhanced monitoring and control flexibility.
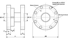
The sensor’s flange design is customizable, allowing it to integrate with existing couplings or fit into space-constrained environments, providing a tailored solution to meet your specific needs.




